Приварной тройник DIN11851, AISI304
Сфера использования: молочная промышленность, производство напитков, пива и других продуктов питания
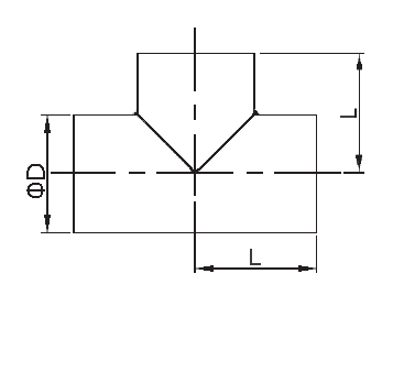
Размеры
Размер
D
L
DN10
12
26
DN15
18
35
DN20
22
40
DN25
28
50
DN32
34
55
DN40
40
60
DN50
52
70
DN65
70
80
DN80
85
90
DN100
104
100
Контактные данные:
ТзОВ "Компанія "Євроспецкран"
Адрес: г. Львов, ул. Крымская, д. 28, офис 413, 79011
тел.: 050 317-02-96, 050 431-35-03, 097 032-46-03
Факс.: 032 244-27-12
spetskran@rambler.ru
Возврат на главную страницу