380. Однокорпусной шаровой кран фланцевый нержавеющий (нж)


Параметри:
Рабочее давление: 16 bar
Н/ж сталь: AISI304, AISI316
Область применения: общепромышленное
и химическое назначение.
Рабочая среда: вода, газ, масла, нефть.
Опция: площадка под пневмопривод
Материалы частей крана:
Контактные данные:
ТзОВ "Компанія "Євроспецкран"
Адрес: г. Львов, ул. Крымская, д. 28, офис 413, 79011
тел.: 050 317-02-96, 050 431-35-03, 097 032-46-03
Факс.: 032 244-27-12
spetskran@rambler.ru
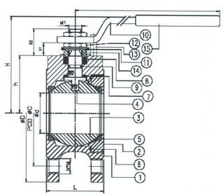
Часть Материал №
1 Корпус крана 1.4408
2 Блок 1.4408
3 Шарик 1.4408
4 Шток 316
5 Уплотнение шарика RTFE
6 Уплотнение корпуса RTFE
7 Уплотнение штока RTFE
8 Прокладка RTFE
9 Уплотнение VITON
10 Рычаг 1.4301
11 Шайба 50CrV4
12 Болт штока 1.4301
13 Блок рычага 1.4301
14 Гнездо штока 1.4301
15 Оболочка рычага PVC
Размеры
DN PN d D C NxM L W H h h1 h2 B M1 кг/шт
15 PN 16-40 15 88 65 4*M12 36 180 70 32 9 18 8 M12 2
20 PN 16-40 20 98 75 4*M12 38 180 75 36 9 18 8 M12 4
25 PN 16-40 24 108 85 4*M12 43 180 88 43 15 26 8 M12 6
32 PN 16-40 30 128 100 4*M16 51 180 91 46 13 24 8 M12 6
40 PN 16-40 38 150 110 4*M16 63 275 112 63 14 32 10 M16 10
50 PN 16-40 50 165 125 4*M16 83 275 118 68.5 16 32 10 M16 11
65 PN 10-16 64 185 145 4*M16 107 380 130 82 20 40 14 M22 15
65 PN 40 64 185 145 8*M16 107 380 130 82 20 40 14 M22 15
80 PN 16-40 75 200 160 8*M16 120 380 136 90 19 37 14 M22 20
100 PN 10-16 100 220 180 8*M16 152 450 208 105 26 46 18 M30
100N PN 40 100 235 190 8*M20 164 450 214 111 26 46 18 M30 59
-
Возврат на главную страницу